



|
序號 |
部品名 |
序號 |
部品名 |
|
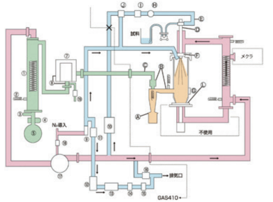
1 |
蒸發器 |
A |
O型圈 |
|
2 |
傳感器 |
B |
密封圈 |
|
3 |
球閥 |
C |
波紋管 |
|
4 |
燒瓶夾 |
D |
噴霧噴嘴 |
|
5 |
回收燒瓶 |
E |
繞形管 |
|
6 |
過濾器元件 |
F |
鋁制蜂窩整流器 |
|
7 |
過濾器腔 |
G |
安全帽 |
|
8 |
差壓計 |
H |
壓力表 |
|
9 |
流量計(N2導入用) |
I |
頂針閥 |
|
10 |
壓縮機 |
J |
三通閥 |
|
11 |
電磁閥(N2控制用) |
K |
電磁閥 |
|
12 |
流量計(O2濃度用) |
L |
密封圈 |
|
13 |
過濾器 |
|
|
|
14 |
泵 |
|
|
|
15 |
O2傳感器 |
|
|
|
16 |
電磁閥(排氣用) |
|
|
|
17 |
鼓風機 |
|
|
|
18 |
電磁閥(N2導入用) |
|
|
|
19 |
電磁閥(送氣用) |
|
|


|
型號 |
GAS410 |
|
|
溶劑回收方式 |
凝縮器+冷凍機 |
|
|
性能 |
循環氣體 |
氮氣(通過與ADL311S-A、GB210-A、DL410連接密閉循環) |
|
循環風量 |
0.12~0.65m3/min |
|
|
構成 |
空壓機(噴霧用) |
直線往復式空壓機 |
|
循環鼓風機 |
羅茨鼓風機 |
|
|
溶劑回收容器 |
2L燒瓶 |
|
|
冷凍機 |
風冷全密閉式,400W R404A |
|
|
溶劑回收結構 |
凝縮器冷卻結構 |
|
|
過濾器 |
濾筒型過濾器 |
|
|
操作面板 |
冷凝器溫度顯示監視器 |
|
|
過濾器差壓計(過濾器篩眼堵塞監視) |
||
|
氧濃度監視器 |
||
|
鼓風機風量調整旋鈕 |
||
|
氧氣傳感器 |
燃料電池傳感器 |
|
|
泵 |
氧氣傳感器循環用 |
|
|
安全裝置 |
氧濃度計、可燃性氣體警報器、過電流漏電保護開關、N2強制導入(拔噴嘴時) |
|
|
規格 |
外形尺寸 |
W710×D950×H1450mm |
|
重量 |
約130kg |
|
|
電源(50/60Hz)額定電流 |
AC200~240V 5A |
|
|
必要N2量 |
0.2MPa設定時,30L/h |
|
|
附屬品 |
連接相關部品一套、2L燒瓶 |
|
微信掃碼 關注我們
地址:上海市浦東新區曹路鎮金海路2588號B209 備案號:滬ICP備19046444號-1